芯片简介
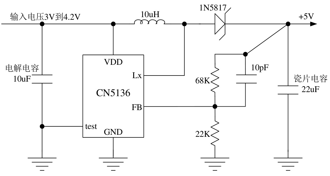
CN5136是一款高效率PFM升压DC-DC转换器,内部集成功率晶体管和软启动电路,最大输出电流500mA。其工作电压范围2.7V-6V,输出电压通过外部电阻可调至最高6V,采用电压基准源确保精度,适用于锂电池和镍氢电池供电场景,典型应用包括移动电源和便携设备。
芯片特点:
输入2.7V~6V
输出可调
内置MOS
300KHz
软启动


CN5136是一款高效率PFM升压DC-DC转换器,内部集成功率晶体管和软启动电路,最大输出电流500mA。其工作电压范围2.7V-6V,输出电压通过外部电阻可调至最高6V,采用电压基准源确保精度,适用于锂电池和镍氢电池供电场景,典型应用包括移动电源和便携设备。
描述CN5136是一款高效率的脉冲频率调制型(PFM)升压DC-DC转换器,最大输出电流能力可以达到500mA。内部集成有功率晶体管,减少了外部元器件的数目。其它功能包括最大电感电流限制、软启动电路等。工作电压范围在2.7V到6V,适合锂电池和3节镍氢电池供电的应用。采用5管脚SOT23封装。
SMT扩展库
3000个/圆盘
总额¥0