芯片简介
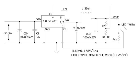
XL4001E1是一款固定频率PWM降压型DC/DC转换器,支持4.5V至40V宽输入电压范围,输出可调至1.235V~37V,具备2A恒定输出电流能力。内部集成优化功率晶体管,采用固定150kHz开关频率,具有高效率、低纹波特性,内置过流保护、热关断、输出过压保护功能及使能控制。其结构包含PWM控制电路、振荡器、反馈补偿模块和使能逻辑单元。
芯片特点:
输入4.5V~40V
输出2A
内置MOS
150kHz
使能

XL4001E1是一款固定频率PWM降压型DC/DC转换器,支持4.5V至40V宽输入电压范围,输出可调至1.235V~37V,具备2A恒定输出电流能力。内部集成优化功率晶体管,采用固定150kHz开关频率,具有高效率、低纹波特性,内置过流保护、热关断、输出过压保护功能及使能控制。其结构包含PWM控制电路、振荡器、反馈补偿模块和使能逻辑单元。
描述DCDC降压,电源输入30V以上,1A~3A(中电流)方案,
SMT扩展库
4000个/圆盘
总额¥0
近期成交100单+