芯片简介
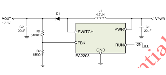
EA2208是一款恒定频率电流模式升压转换器,适用于小型低功耗应用。集成1.2MHz开关频率、内部软启动及轻载脉冲频率调制功能,含欠压锁定、电流限制和热过载保护电路。由控制电路、驱动电路和保护模块组成,具备高效率、低输入浪涌电流与多重保护特性。
芯片特点:
输入2V~24V
输出2A
内置MOS
1.2MHz
使能
软启动

EA2208是一款恒定频率电流模式升压转换器,适用于小型低功耗应用。集成1.2MHz开关频率、内部软启动及轻载脉冲频率调制功能,含欠压锁定、电流限制和热过载保护电路。由控制电路、驱动电路和保护模块组成,具备高效率、低输入浪涌电流与多重保护特性。
描述EA2208是一款常频、电流模式升压转换器,适用于小型、低功耗应用。它以1.2MHz的频率切换,允许使用高度不超过2mm的小型、低成本电容器和电感器。内部软启动减少了浪涌电流并延长了电池寿命。轻载时自动切换到脉冲频率调制模式。包括欠压锁定、限流和热过载保护功能。
RoHSSMT扩展库
3000个/圆盘
总额¥0
近期成交22单