芯片简介
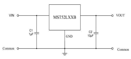
MST52LXXB系列采用CMOS技术制造,最高输入电压24V,是一款高压线性稳压器,具有多种固定输出电压。产品适用于电池供电、通信设备、音视频设备及安防监控设备,特性包含±2%高精度输出、9种引脚排列方式及多种预设输出电压。
芯片特点:
输入24V
输出0.15A
精度±2%
工业品
MST52LXXB系列采用CMOS技术制造,最高输入电压24V,是一款高压线性稳压器,具有多种固定输出电压。产品适用于电池供电、通信设备、音视频设备及安防监控设备,特性包含±2%高精度输出、9种引脚排列方式及多种预设输出电压。
| 开源项目名称 | 开源项目介绍 |
|---|---|
| C2842719-LDO方案验证板(A版) | LDO验证板A版:3款SOT-23-3、3款SOT-89-3、2款SOT-23-5、2款SOT-23-6、2款SOT-223。 |
描述采用CMOS技术制造,最高输入电压为24V,是具有多种固定输出电压的高压线性稳压器,有3种封装形式和9种引脚排列方式,方便客户进行PCB板布局。
SMT扩展库
3000个/圆盘
总额¥0
近期成交4单