芯片简介
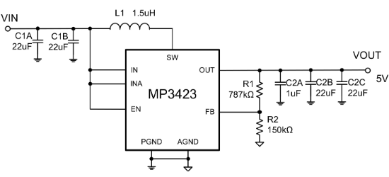
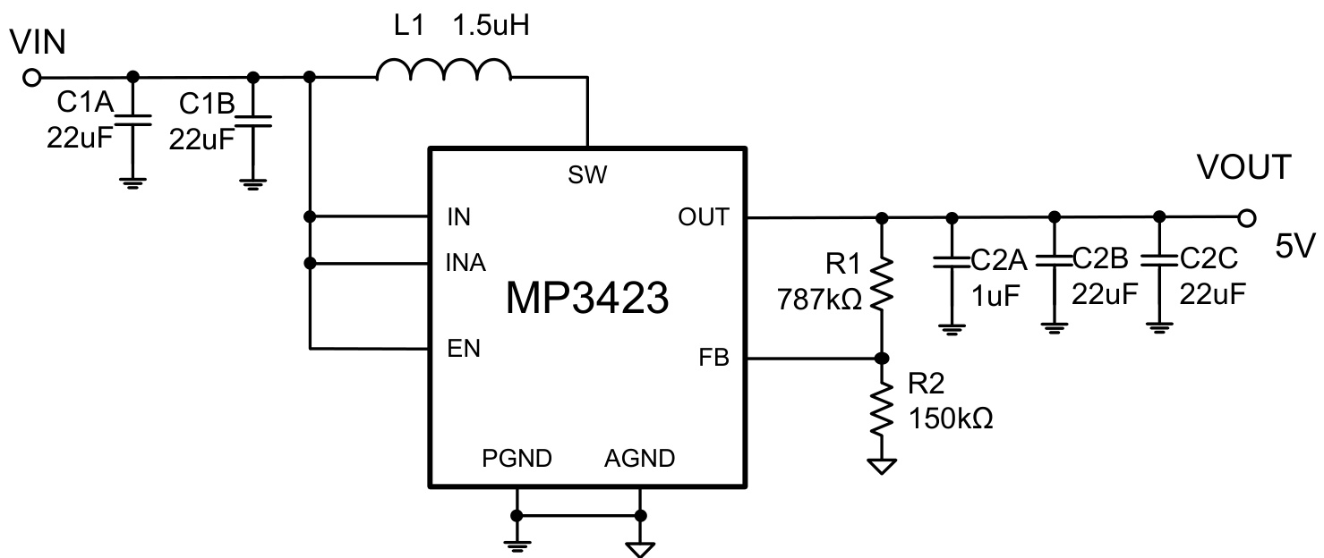
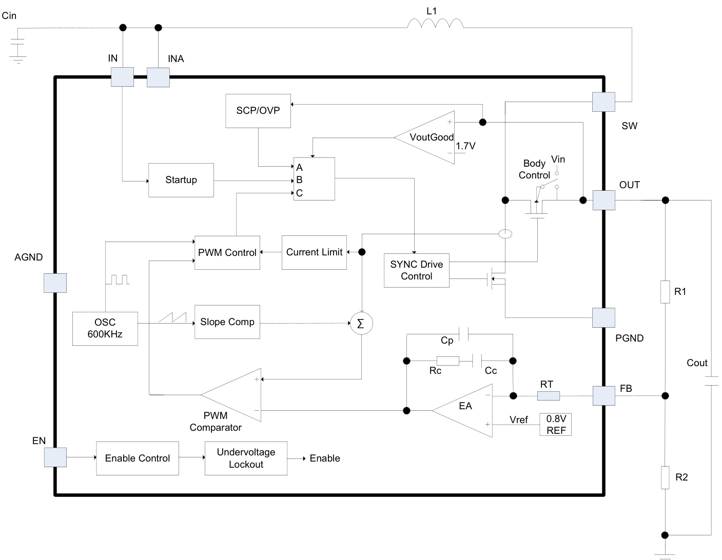
MP3423是一款高效同步电流模式升压转换器,具有输出断开功能。集成P通道同步整流器,无需外部肖特基二极管,支持1.9V低输入启动,提供浪涌电流限制和输出短路保护。内部补偿和软启动设计减少外部元件数量,适用于5V输出和3.1A负载需求。特性包括高达98%效率、600kHz固定开关频率、真输出负载断开、过流保护(OCP)、短路保护(SCP)、过压保护(OVP)和过温保护(OTP)。内部组成包括控制电路、同步整流器和多种保护模块。
芯片特点:
输入1.9V~5.5V
输出2.5V~5.5V
内置MOS
600kHz
使能
软启动





