芯片简介
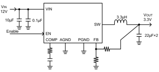
BD9C501EFJ-E2是一款同步降压开关稳压器,内置低导通电阻功率MOSFET,支持4.5V至18V宽输入电压范围和5A最大输出电流。采用电流模式控制架构,具有高速瞬态响应特性,支持过流保护、热关断保护、欠压锁定保护、短路保护及固定软启动功能。其内部组成框架包含控制电路、驱动电路及保护电路模块。
芯片特点:
输入4.5V~18V
输出5A
内置MOS管
500kHz
使能
软启动

BD9C501EFJ-E2是一款同步降压开关稳压器,内置低导通电阻功率MOSFET,支持4.5V至18V宽输入电压范围和5A最大输出电流。采用电流模式控制架构,具有高速瞬态响应特性,支持过流保护、热关断保护、欠压锁定保护、短路保护及固定软启动功能。其内部组成框架包含控制电路、驱动电路及保护电路模块。
描述BD9C501EFJ是一款4.5V至18V输入,5A集成MOSFET的同步降压DC/DC转换器。它具有宽输入电压范围,能够提供高达5A的输出电流,采用电流模式控制,具有高速瞬态响应。内置低导通电阻的MOSFET,开关频率为500kHz,待机电流仅为1μA。工作温度范围为-40°C至+85°C。
RoHSSMT扩展库
2500个/圆盘
总额¥0
近期成交1单