芯片简介
XL2596是一款150KHz固定频率PWM降压DC/DC转换器,支持4.5V至40V宽输入电压范围,可驱动3A负载,具有高效率、低纹波和优异的线性/负载调节特性。其内部集成优化功率晶体管、固定频率振荡器及频率补偿电路,并包含过流保护、热关断和使能控制功能。
芯片特点:
输入4.5V~40V
输出3A
内置MOS
150KHz
使能

XL2596是一款150KHz固定频率PWM降压DC/DC转换器,支持4.5V至40V宽输入电压范围,可驱动3A负载,具有高效率、低纹波和优异的线性/负载调节特性。其内部集成优化功率晶体管、固定频率振荡器及频率补偿电路,并包含过流保护、热关断和使能控制功能。
| 参考设计 | ||
| 规格书 | ||
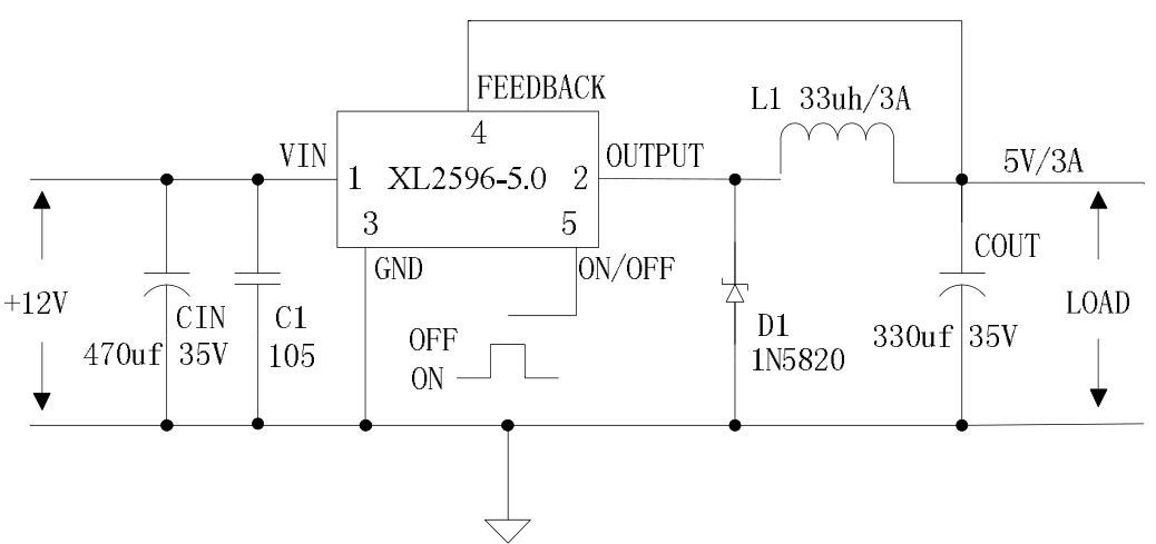
描述DCDC降压,电源输入30V以上,1A~3A(中电流)方案,5.0V
SMT扩展库
50个/管
总额¥0
近期成交15单
描述DCDC降压,电源输入30V以上,1A~3A(中电流)方案,12V
SMT扩展库
50个/管
总额¥0
近期成交8单
描述DCDC降压,电源输入30V以上,1A~3A(中电流)方案,3.3V
SMT扩展库
50个/管
总额¥0
近期成交2单
描述DCDC降压,电源输入30V以上,1A~3A(中电流)方案,ADJ
SMT扩展库
50个/管
总额¥0
近期成交10单