芯片简介
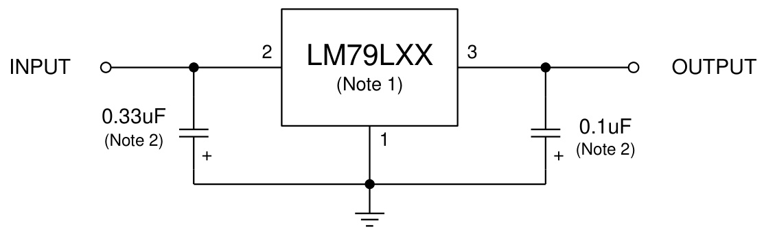
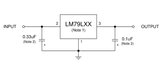
LM79L05F是固定电压负压稳压器,提供100mA输出电流,具备内部热过载保护和短路限制功能。适用于消除单点稳压的噪声和分布问题,可替代齐纳二极管-电阻组合以改善输出阻抗和降低偏置电流。输出电压范围为-4.8V至-5.2V,支持-7V至-20V输入电压范围。
芯片特点:
输入-30V
输出0.1A
精度±4%
输出-5V
负压

LM79L05F是固定电压负压稳压器,提供100mA输出电流,具备内部热过载保护和短路限制功能。适用于消除单点稳压的噪声和分布问题,可替代齐纳二极管-电阻组合以改善输出阻抗和降低偏置电流。输出电压范围为-4.8V至-5.2V,支持-7V至-20V输入电压范围。
1000个/圆盘
总额¥0