芯片简介
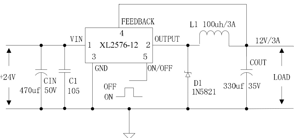
XL2576是一款52KHz固定频率PWM降压DC/DC转换器,可驱动3A负载并具备高效率、低纹波特性。该器件包含内部优化功率晶体管、过流保护功能,支持4.5V至40V宽输入电压范围,采用0至100%线性可调占空比的PWM控制电路。其结构包含振荡器、反馈网络、驱动电路及热关断保护模块,典型应用电路需外接电感和二极管。
芯片特点:
输入4.5V~40V
输出3A
内置MOS
52KHz
使能

XL2576是一款52KHz固定频率PWM降压DC/DC转换器,可驱动3A负载并具备高效率、低纹波特性。该器件包含内部优化功率晶体管、过流保护功能,支持4.5V至40V宽输入电压范围,采用0至100%线性可调占空比的PWM控制电路。其结构包含振荡器、反馈网络、驱动电路及热关断保护模块,典型应用电路需外接电感和二极管。
| 参考设计 | ||
| 规格书 | ||
描述DCDC降压,电源输入30V以上,1A~3A(中电流)方案,5.0V
50个/管
总额¥0
近期成交5单
描述DCDC降压,电源输入30V以上,1A~3A(中电流)方案,5.0V
SMT扩展库
800个/圆盘
总额¥0
近期成交100单+
描述DCDC降压,电源输入30V以上,1A~3A(中电流)方案,ADJ
SMT扩展库
800个/圆盘
总额¥0
近期成交18单
描述DCDC降压,电源输入30V以上,1A~3A(中电流)方案,ADJ
SMT扩展库
50个/管
总额¥0
近期成交3单