芯片简介
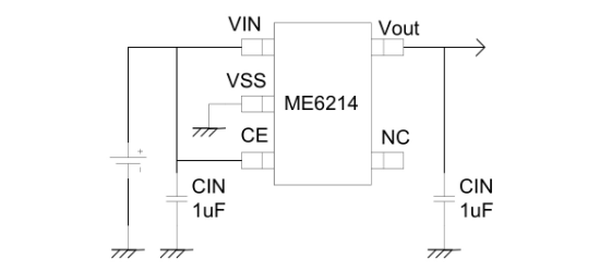
ME6214C28M5G是以CMOS工艺制造的超低静态功耗、低压差线性稳压器,工作电流典型值0.7μA,关断电流0.01μA。内置使能控制、限流电路、折返短路保护及输出电容自动放电功能。输入电压范围2.0-18V,输出电压精度±2%,压差特性优异。由误差放大器、基准电压源、功率晶体管和保护电路构成,适用于电池供电设备及便携式电子产品的稳压电源。
芯片特点:
输入18V
输出300mA
精度±2%
输出2.8V
使能

ME6214C28M5G是以CMOS工艺制造的超低静态功耗、低压差线性稳压器,工作电流典型值0.7μA,关断电流0.01μA。内置使能控制、限流电路、折返短路保护及输出电容自动放电功能。输入电压范围2.0-18V,输出电压精度±2%,压差特性优异。由误差放大器、基准电压源、功率晶体管和保护电路构成,适用于电池供电设备及便携式电子产品的稳压电源。
| 开源项目名称 | 开源项目介绍 |
|---|---|
| C2842719-LDO方案验证板(A版) | LDO验证板A版:3款SOT-23-3、3款SOT-89-3、2款SOT-23-5、2款SOT-23-6、2款SOT-223。 |
描述ME6214 系列是以 CMOS 工艺制造的超低静态功耗、低压差线性稳压器。稳压器消耗电流约 0.7μA ,使能关断后功耗为 0.01μA(典型)。内置使能控制,限流电路以及折返短路保护,并有使能控制输出电容自动放电功能。
SMT扩展库
3000个/圆盘
总额¥0
近期成交38单