芯片简介
XL7026E1是一款开关降压型DC-DC转换芯片,支持12V至90V宽输入电压范围,输出电压1.25V至20V可调。采用固定150KHz开关频率,集成过流保护、短路保护功能,外部电路配置灵活。芯片通过反馈引脚动态调整输出电压,典型转换效率可达90%以上。
芯片特点:
输入12V~90V
输出0.6A
150KHz
内置MOS管
软启动

XL7026E1是一款开关降压型DC-DC转换芯片,支持12V至90V宽输入电压范围,输出电压1.25V至20V可调。采用固定150KHz开关频率,集成过流保护、短路保护功能,外部电路配置灵活。芯片通过反馈引脚动态调整输出电压,典型转换效率可达90%以上。
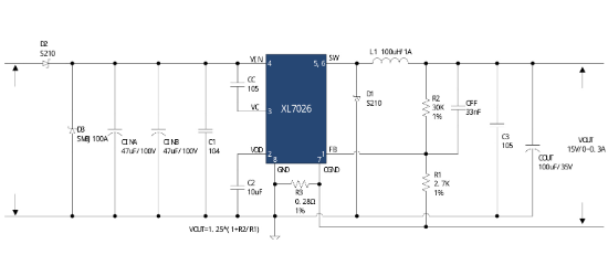
描述DCDC降压,电源输入30V以上,1A以内(小电流)方案,XL7026是一款开关降压型DC-DC转换芯片,具有固定的150KHz开关频率,支持1.25V至20V的输出电压调节,最大输出电流为0.3A,适用于DC16V至90V的输入电压范围。芯片内部集成了过流保护和短路保护功能,采用SOP8-EP封装。
RoHSSMT扩展库
4000个/圆盘
总额¥0
近期成交19单