芯片简介
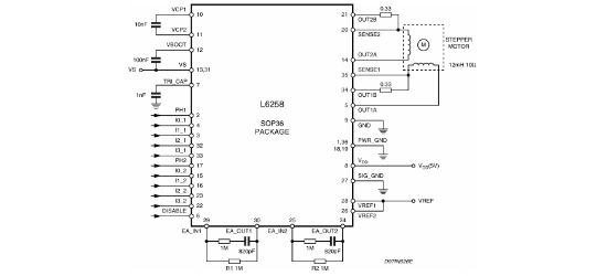
L6258是一款PWM控制的高电流DMOS通用电机驱动器,采用BCD技术实现双全桥结构,可驱动双极步进电机的两个绕组或双向控制两个直流电机。该芯片通过外部组件形成完整的控制和驱动电路,具有高效率相位斩波技术,在最低电流控制级别实现极低纹波,集成DMOS全桥功率级,连续输出电流1.2A/绕组,峰值启动电流1.5A。功能框架包含PWM控制器、H桥驱动电路、三角波发生器、电荷泵电路、电流控制环路和热保护模块,支持四象限电流控制、精密PWM调节、交叉传导保护和TTL/CMOS兼容输入。
芯片特点:
输入34V
输出1.2A
接口TTL/CMOS
电流检测




