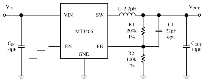
芯片简介
MT3406是一款1.5MHz恒定频率的同步降压转换器,输入电压范围2V至6V,输出电流1A,可调节输出电压低至0.6V。集成主开关和同步整流器,无需外部肖特基二极管。支持PFM模式轻载高效运行、100%占空比低压差操作,具备短路保护、热故障保护、浪涌电流限制及软启动功能。内部结构包含控制电路、驱动电路及保护电路,采用电流模式控制实现优异的线路和负载瞬态响应。
芯片特点:
输入2V~6V
输出1A
内置MOS
1.5MHz
使能
软启动
工业品
MT3406是一款1.5MHz恒定频率的同步降压转换器,输入电压范围2V至6V,输出电流1A,可调节输出电压低至0.6V。集成主开关和同步整流器,无需外部肖特基二极管。支持PFM模式轻载高效运行、100%占空比低压差操作,具备短路保护、热故障保护、浪涌电流限制及软启动功能。内部结构包含控制电路、驱动电路及保护电路,采用电流模式控制实现优异的线路和负载瞬态响应。
描述MT3406是一款高效率、1.5MHz常频电流模式同步降压转换器,集成主开关和同步整流器,适用于便携设备和锂电池供电系统。输出电压可低至0.6V,支持轻载高效模式和100%占空比低dropout操作。
3000个/圆盘
总额¥0
近期成交100单+