芯片简介
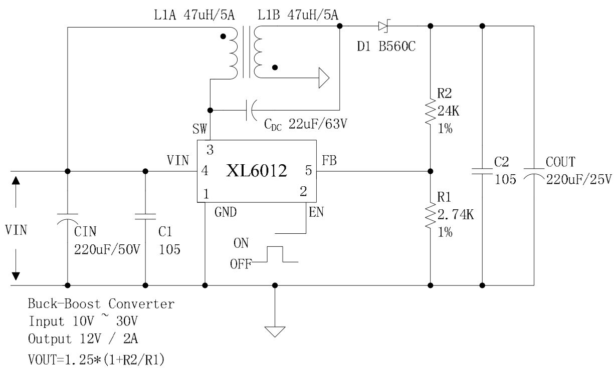
XL6012E1是一款宽输入范围(5V-40V)的电流模式升压DC/DC转换器,内置高压N沟道功率MOSFET和固定频率振荡器,支持最大60V输出及5A开关电流。特性包括软启动功能、热关断保护、电流限制功能,典型效率达94%。采用TO220-5L封装,适用于便携电子设备及汽车工业应用。
芯片特点:
输入5V~40V
输出60V
内置MOS
180KHz
使能
软启动

XL6012E1是一款宽输入范围(5V-40V)的电流模式升压DC/DC转换器,内置高压N沟道功率MOSFET和固定频率振荡器,支持最大60V输出及5A开关电流。特性包括软启动功能、热关断保护、电流限制功能,典型效率达94%。采用TO220-5L封装,适用于便携电子设备及汽车工业应用。
| 规格书 | ||
| 参考设计 | ||
描述XL6012是一款宽输入范围、电流模式控制的DC-DC转换器,可以配置为升压、反激、SEPIC或反相转换器。内置高压N沟道功率MOSFET和固定频率振荡器,最大输出电压可达60V,最大开关电流为5A,固定180KHz开关频率,具有过压保护、软启动和热关断功能。
RoHSSMT扩展库
50个/管
总额¥0
近期成交17单