芯片简介
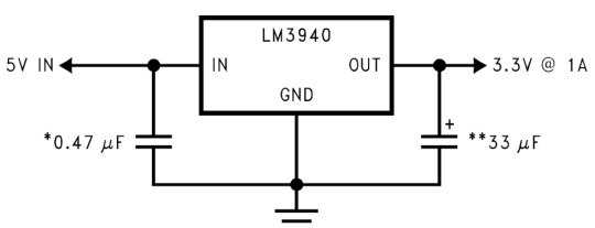
LM3940IMP-3.3/NOPB是一款1A低压差稳压器,专为5V至3.3V转换设计,适用于同时包含5V和3.3V逻辑的系统。其内部由误差放大器、基准电压源、功率晶体管和保护电路组成,具有低噪声输出、短路保护和过热保护功能,支持宽输入电压范围,并在全温度范围内提供稳定的3.3V输出。
芯片特点:
输入7.5V
输出1A
精度±5%
功耗:1W
输出3.3V

LM3940IMP-3.3/NOPB是一款1A低压差稳压器,专为5V至3.3V转换设计,适用于同时包含5V和3.3V逻辑的系统。其内部由误差放大器、基准电压源、功率晶体管和保护电路组成,具有低噪声输出、短路保护和过热保护功能,支持宽输入电压范围,并在全温度范围内提供稳定的3.3V输出。
| 开源项目名称 | 开源项目介绍 |
|---|---|
| C2842719-LDO方案验证板(A版) | LDO验证板A版:3款SOT-23-3、3款SOT-89-3、2款SOT-23-5、2款SOT-23-6、2款SOT-223。 |
描述LM3940 用于 5V 至 3.3V 电压转换的 1A 低压降稳压器
1000个/圆盘
总额¥0
近期成交90单