芯片简介
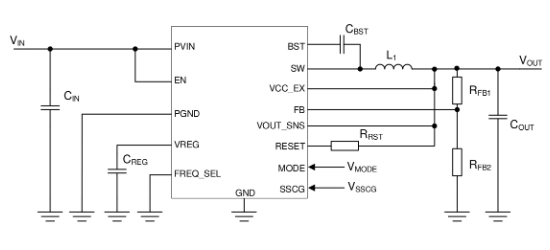
BD9P608MFF-CE2是电流模式同步降压DC/DC转换器,集成功率MOSFET。采用Nano Pulse Control技术实现50ns最小导通脉冲,支持3.5V-40V宽输入电压和0.8V-8.5V可调输出,具备强制PWM模式/轻载模式自动切换功能。集成过流保护、短路保护、热关断保护、输入欠压锁定等多重保护电路,内置误差放大器、斜坡发生器、驱动电路等核心模块,通过AEC-Q100 Grade 1认证。
芯片特点:
车规级
输入3.5V~40V
输出6A
内置MOS管
使能
软启动



