芯片简介
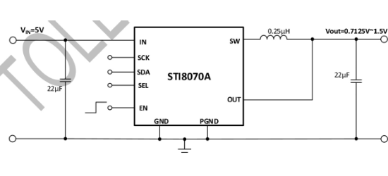
STI8070A是一款高效2.1MHz同步降压转换器,输入电压范围为2.7V至5.5V,输出电流高达5A。支持I2C接口编程输出电压(0.7125V~1.5V),具备PFM/PWM轻载模式切换,集成28mΩ(高侧)和18mΩ(低侧)功率开关。内置软启动、输入欠压锁定(UVLO)、过压保护(OVP)、过流保护(OCP)及热关断功能,低静态电流确保轻载高效。
芯片特点:
输入2.7V~5.5V
输出5A
内置MOS
2.1MHz
使能
软启动

STI8070A是一款高效2.1MHz同步降压转换器,输入电压范围为2.7V至5.5V,输出电流高达5A。支持I2C接口编程输出电压(0.7125V~1.5V),具备PFM/PWM轻载模式切换,集成28mΩ(高侧)和18mΩ(低侧)功率开关。内置软启动、输入欠压锁定(UVLO)、过压保护(OVP)、过流保护(OCP)及热关断功能,低静态电流确保轻载高效。
描述STI8070A是一款I2C可编程、高效率、2.1MHz同步降压转换器,支持宽输入电压范围2.7V至5.5V,最大输出电流5A,输出电压可编程范围0.7125V至1.5V。具有低待机电流、模式选择(PFM和PWM)、软启动、输入欠压锁定和过压保护、内置热关断和过流保护功能。采用WLCSP-20封装。
RoHSSMT扩展库
3000个/圆盘
总额¥0
近期成交5单