芯片简介
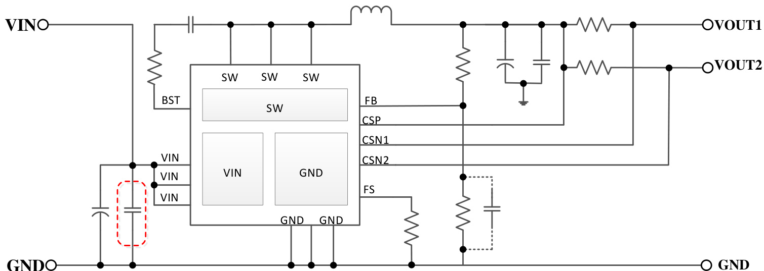
NDP1480QB是一款高效率同步降压DC/DC转换器,采用抖频平均电流模式控制架构,输入电压范围7V-37V,可调输出电压3.3V-25V,支持8A连续负载电流。集成7mΩ高边和低边MOSFET开关,具备短路保护、过热保护、输入过压保护及内部软启动功能。包含电流检测放大器、PWM比较器、误差放大器和多种保护电路,通过外部电阻可编程开关频率(130kHz-300kHz),支持轻载突发模式操作。
芯片特点:
输入7V~37V
输出8A
内置MOS
130kHz~300kHz
软启动

NDP1480QB是一款高效率同步降压DC/DC转换器,采用抖频平均电流模式控制架构,输入电压范围7V-37V,可调输出电压3.3V-25V,支持8A连续负载电流。集成7mΩ高边和低边MOSFET开关,具备短路保护、过热保护、输入过压保护及内部软启动功能。包含电流检测放大器、PWM比较器、误差放大器和多种保护电路,通过外部电阻可编程开关频率(130kHz-300kHz),支持轻载突发模式操作。
描述NDP1480QB是一款高效率的单片同步降压DC/DC转换器,采用抖动频率模式控制架构。能够提供高达8A的连续负载,具有良好的线路和负载调节性能。工作输入电压范围为7V至37V,可提供3.3V至25V的可调输出电压。该器件具有短路和热保护电路,以提高系统可靠性。内部软启动功能避免了启动时的输入浪涌电流。
4000个/圆盘
总额¥0
近期成交44单