芯片简介
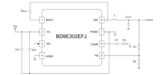
BD9E302EFJ是一款同步降压开关稳压器,集成功率MOSFET,采用SLLMTM轻载模式提升效率。支持电流模式控制以实现快速瞬态响应,具备过流保护、短路保护、热关断保护、欠压锁定保护等多重保护功能,内置软启动机制。通过外部电阻可灵活设置输出电压,适用于消费电子及通信设备的二次电源系统。
芯片特点:
输入7V~28V
输出3A
内置MOS管
550kHz
使能
软启动

BD9E302EFJ是一款同步降压开关稳压器,集成功率MOSFET,采用SLLMTM轻载模式提升效率。支持电流模式控制以实现快速瞬态响应,具备过流保护、短路保护、热关断保护、欠压锁定保护等多重保护功能,内置软启动机制。通过外部电阻可灵活设置输出电压,适用于消费电子及通信设备的二次电源系统。
描述BD9E302EFJ是一款高效率的同步降压DC-DC转换器,输入电压范围为7V至28V,最大输出电流为3A,具有内置MOSFET。该芯片支持轻载模式控制,适用于需要降低待机功耗的设备。具备过流保护、短路保护、热关断保护和欠压锁定保护等功能。
RoHSSMT扩展库
2500个/圆盘
总额¥0
近期成交34单