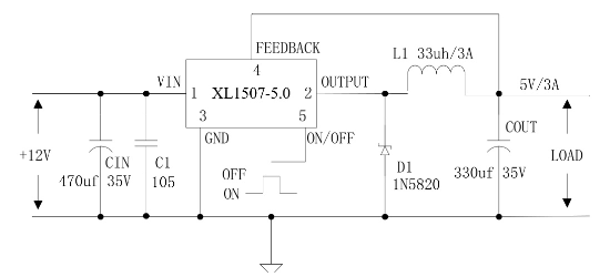
芯片简介
XL1507是一款150KHz固定频率的PWM降压型DC/DC转换器,支持3A负载输出,具有高效率、低纹波及优异的线性与负载调节性能。其宽输入电压范围为4.5V至40V,输出电压可调(1.23V~37V)或固定版本,最大占空比达100%,最小压降1.5V。内部集成优化的功率晶体管、频率补偿和固定频率振荡器,简化外部元件需求。功能包括使能控制(ON/OFF引脚)、过流保护、热关断及双电流限制机制,当触发次级限流时工作频率从150KHz降至50KHz。
芯片特点:
输入4.5V~40V
输出3A
内置MOS
150KHz
使能





