芯片简介
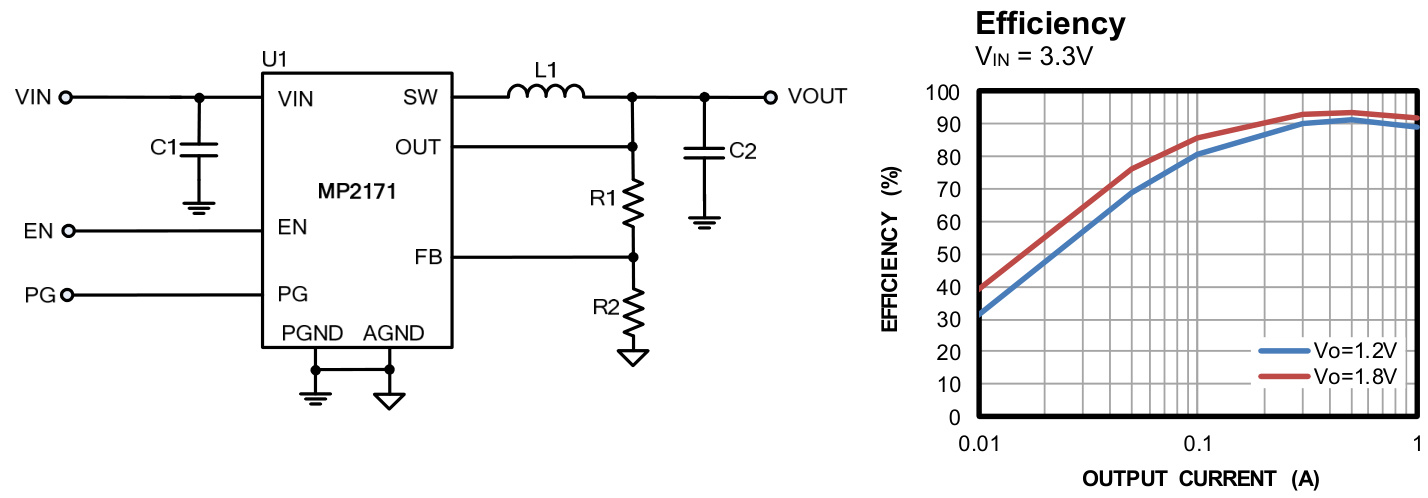
MP2171是一款集成内部功率MOSFET的单片降压开关转换器,支持2.5V至5.5V输入电压范围,可提供高达1A连续输出电流,输出电压可调节至0.6V。采用恒定导通时间(COT)控制实现快速瞬态响应,具备逐周期过流保护、热关断、短路保护(打嗝模式)及自动放电功能,适用于汽车信息娱乐、仪表组和便携式仪器。
芯片特点:
输入2.5V~5.5V
输出1A
内置MOS
2.6MHz
使能
软启动

MP2171是一款集成内部功率MOSFET的单片降压开关转换器,支持2.5V至5.5V输入电压范围,可提供高达1A连续输出电流,输出电压可调节至0.6V。采用恒定导通时间(COT)控制实现快速瞬态响应,具备逐周期过流保护、热关断、短路保护(打嗝模式)及自动放电功能,适用于汽车信息娱乐、仪表组和便携式仪器。
描述DCDC降压,电源输入7V以内,1A以内(小电流)方案,
RoHSSMT扩展库
3000个/圆盘
总额¥0