芯片简介
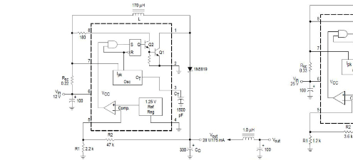
HX34063-P是一款集成温度自动补偿带隙基准源、高精度比较器、电流限制保护占空比可调振荡器、驱动晶体管及大电流开关管的DC-DC转换控制芯片。支持升压、降压及负压输出,工作电压范围3V-40V,输出开关电流1.5A,工作频率达100KHz,具备2%精密基准精度和低静态功耗特性。
芯片特点:
输入3V~40V
输出1.5A
内置MOS
100KHz

HX34063-P是一款集成温度自动补偿带隙基准源、高精度比较器、电流限制保护占空比可调振荡器、驱动晶体管及大电流开关管的DC-DC转换控制芯片。支持升压、降压及负压输出,工作电压范围3V-40V,输出开关电流1.5A,工作频率达100KHz,具备2%精密基准精度和低静态功耗特性。
描述HX34063-P是一款集成了高度功能性的DC-DC转换控制单片集成电路。其内部巧妙地融合了温度自动补偿的带隙基准源、高精度比较器、具备电流限制保护功能的占空比可调节振荡器、驱动晶体管以及能够承受大电流的开关管。通过简单地外接少量元件,这款芯片便能灵活地实现电压的升压、降压甚至负压输出功能,极大地简化了电路设计与实现过程。
RoHS
50个/管
总额¥0
近期成交3单