芯片简介
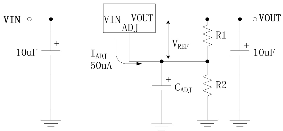
AMS1117-3.3是一款低压差线性稳压器,可提供最大0.8A的输出电流,固定输出电压3.3V,精度±2%。该芯片采用片上微调技术确保电压精度,并集成过热保护功能。内部由误差放大器、基准电压源、功率晶体管和保护电路组成,需外接至少10μF钽电容以确保稳定性,特性包括低电压差、最大0.5%负载调节率及优化低压性能。
芯片特点:
输入18V
输出0.8A
精度±2%
功耗:600mW
输出3.3V

AMS1117-3.3是一款低压差线性稳压器,可提供最大0.8A的输出电流,固定输出电压3.3V,精度±2%。该芯片采用片上微调技术确保电压精度,并集成过热保护功能。内部由误差放大器、基准电压源、功率晶体管和保护电路组成,需外接至少10μF钽电容以确保稳定性,特性包括低电压差、最大0.5%负载调节率及优化低压性能。
| 开源项目名称 | 开源项目介绍 |
|---|---|
| C2842719-LDO方案验证板(A版) | LDO验证板A版:3款SOT-23-3、3款SOT-89-3、2款SOT-23-5、2款SOT-23-6、2款SOT-223。 |
描述是一系列低压差电压调节器,可提供高达0.8A的输出电流。有六种固定电压可选,分别为1.2V、1.5V、1.8V、2.5V、3.3V和5.0V,此外还有可调版本。片上精密微调可将参考/输出电压调整到±2%以内。片上热限制功能可防止因过载和环境温度共同作用导致的结温过高。有SOT-223、TO-252、SOT89封装。输出端需至少使用10μF钽电容,以改善瞬态响应和稳定性。
SMT扩展库
2500个/圆盘
总额¥0
近期成交100单+