芯片简介
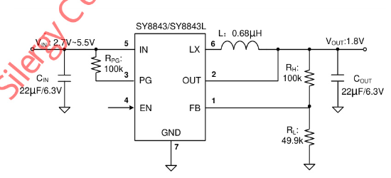
SY8843系列是1.5MHz高频同步降压DC/DC调节器,支持2.7V-5.5V输入范围并提供最高3A输出电流。集成85mΩ/50mΩ低阻值MOS管,具备内部软启动、短路保护、过压/过温保护功能。采用同步整流架构降低导通损耗,1.5MHz开关频率允许使用小型电感和电容。包含开漏式电源就绪指示(PG)和自动放电功能。
芯片特点:
输入2.7V~5.5V
输出3A
内置MOS
1.5MHz
使能
软启动

SY8843系列是1.5MHz高频同步降压DC/DC调节器,支持2.7V-5.5V输入范围并提供最高3A输出电流。集成85mΩ/50mΩ低阻值MOS管,具备内部软启动、短路保护、过压/过温保护功能。采用同步整流架构降低导通损耗,1.5MHz开关频率允许使用小型电感和电容。包含开漏式电源就绪指示(PG)和自动放电功能。
描述SY8843是一款高效率1.5MHz同步降压DC/DC调节器,输入电压范围为2.7V至5.5V,最大输出电流为3A。具有低静态电流、快速负载瞬态响应、内部软启动、短路保护等功能。
SMT扩展库
3000个/圆盘
总额¥0
近期成交58单