芯片简介
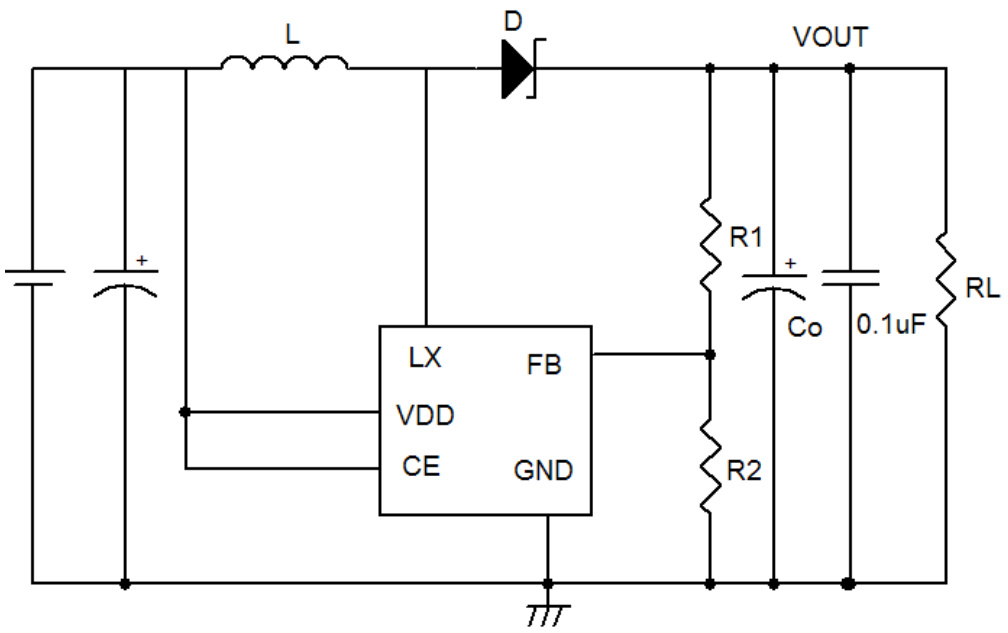
ME2149系列是CMOS升压开关稳压器,内置低导通电阻N沟道功率MOS,适用于高效率高输出电流应用。包含参考电压源、振荡电路、误差放大器、相位补偿电路及PWM/PFM控制电路,支持0.9V低压启动。特性包括±2%反馈电压精度、78%最大占空比、2ms软启动及PWM/PFM切换控制以优化轻载效率。
芯片特点:
输入2.5V~6V
输出<20V
内置MOS
1.0MHz
使能
软启动

ME2149系列是CMOS升压开关稳压器,内置低导通电阻N沟道功率MOS,适用于高效率高输出电流应用。包含参考电压源、振荡电路、误差放大器、相位补偿电路及PWM/PFM控制电路,支持0.9V低压启动。特性包括±2%反馈电压精度、78%最大占空比、2ms软启动及PWM/PFM切换控制以优化轻载效率。
描述ME2149系列是一款CMOS升压型开关稳压器,主要由基准电压源、振荡电路、误差放大器、相位补偿电路和PWM/PFM开关控制电路组成。该产品内置低导通电阻N沟道功率MOS,适用于需要高效率和高输出电流的应用场景。在轻负载情况下,ME2149系列通过PWM/PFM开关控制电路将工作模式切换至占空比为15%的PFM控制电路,以防止IC工作电流导致效率下降
SMT扩展库
3000个/圆盘
总额¥0
近期成交23单