芯片简介
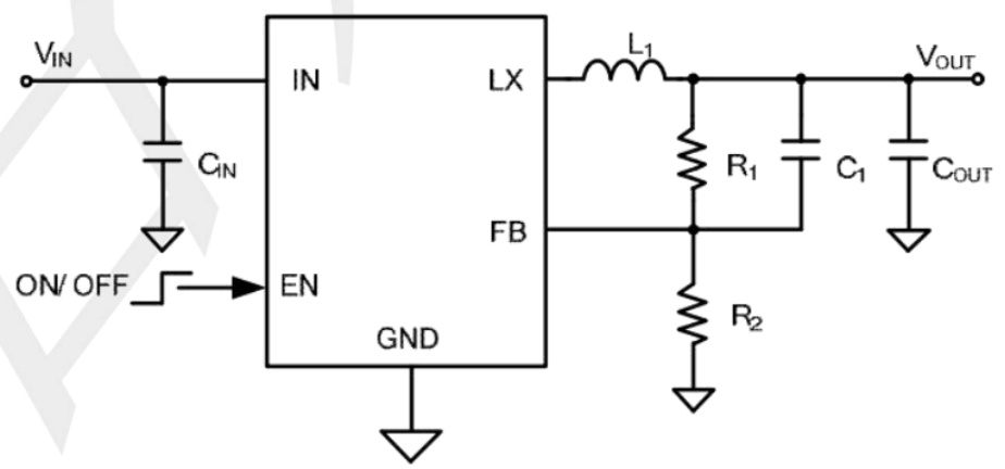
SY8088A是一款DCDC降压芯片,输入电压范围2.5V至5.5V,支持1A连续负载电流。采用0.6V参考电压,内部集成高低边MOS管(RDS(ON)分别为300mΩ和200mΩ),具备逐周期峰值电流限制和内部软启动功能。工作频率固定为1.5MHz,效率高达95%。功能框架包括反馈电阻分压器、输入/输出电容配置及电感选型,优化布局设计以减少噪声。
芯片特点:
输入2.5V~5.5V
输出1A
内置MOS
1.5MHz
使能
软启动

SY8088A是一款DCDC降压芯片,输入电压范围2.5V至5.5V,支持1A连续负载电流。采用0.6V参考电压,内部集成高低边MOS管(RDS(ON)分别为300mΩ和200mΩ),具备逐周期峰值电流限制和内部软启动功能。工作频率固定为1.5MHz,效率高达95%。功能框架包括反馈电阻分压器、输入/输出电容配置及电感选型,优化布局设计以减少噪声。
描述SY8088A是一款高效1.5MHz 1A同步降压调节器,适用于网络、IP摄像头、LCD电视、DSL调制解调器、接入点路由器、数字电视和机顶盒等应用。该器件具有2.5V至5.5V的输入电压范围,保证1A连续负载电流,内置低导通电阻开关,固定1.5MHz开关频率,效率高达95%,采用SOT23-5封装。
SMT扩展库
3000个/圆盘
总额¥0
近期成交23单