芯片简介
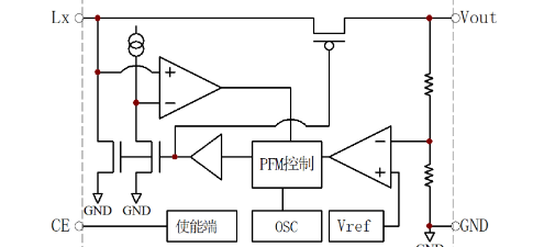
GR2188Axx系列是采用CMOS工艺制造的低静态电流PFM开关型同步整流DC/DC升压转换器,具有低功耗(典型值15μA)、宽工作电压范围(0.9V~5V)、高精度输出(±2.5%)及可调输出电压(1.8V~3.6V,按0.1V分级)。采用同步整流设计改善噪声干扰,适用于电池供电设备如LED灯具、便携电子设备等。
芯片特点:
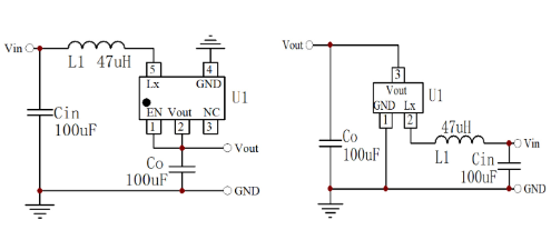
输入0.9V~5V
输出3.3V
内置MOS
250kHz
使能


GR2188Axx系列是采用CMOS工艺制造的低静态电流PFM开关型同步整流DC/DC升压转换器,具有低功耗(典型值15μA)、宽工作电压范围(0.9V~5V)、高精度输出(±2.5%)及可调输出电压(1.8V~3.6V,按0.1V分级)。采用同步整流设计改善噪声干扰,适用于电池供电设备如LED灯具、便携电子设备等。
描述GR2188Axx系列芯片是采用CMOS工艺制造的低静态电流的PFM开关型同步整流DC/DC升压转换器。该系列芯片采用先进的电路设计和制造工艺,极大地改善了开关电路固有的噪声问题,减小对周围电路的干扰,非常适合应用于电池供电的设备仪器。
SMT扩展库
3000个/圆盘
总额¥0
近期成交7单