芯片简介
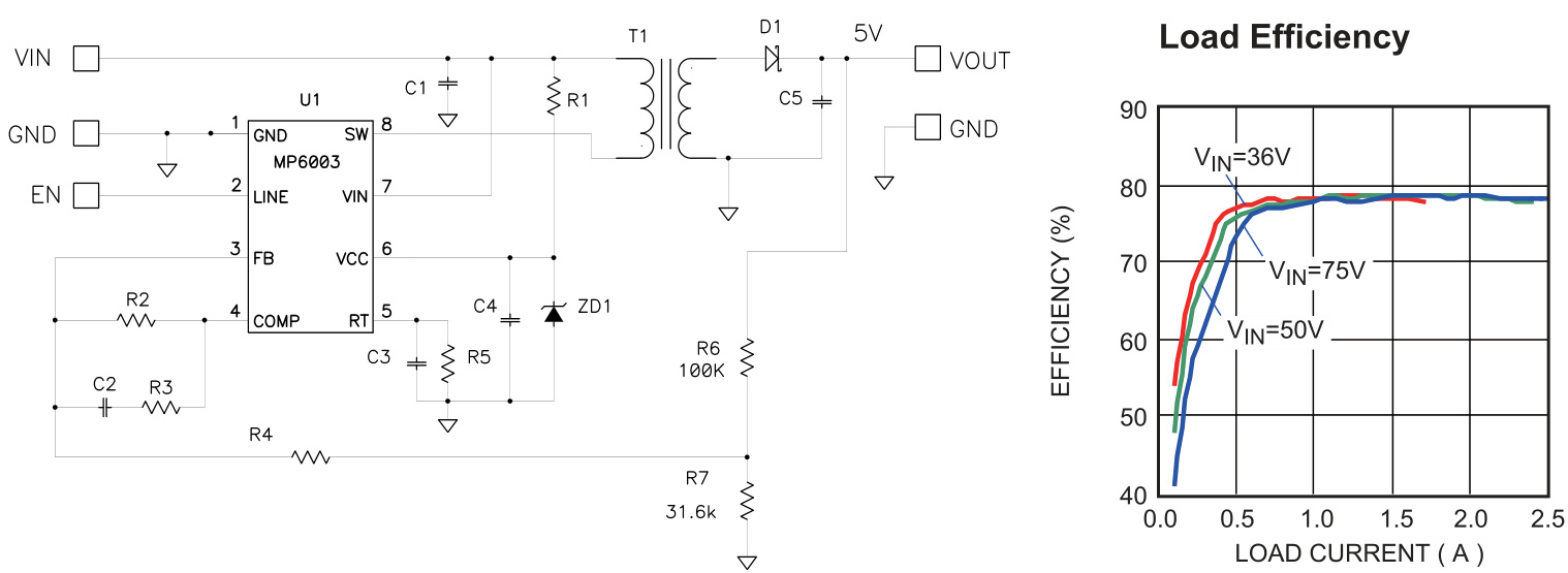
MP6003是一款单片反激式DC-DC转换器,集成150V功率开关,支持15W输出功率及SEPIC升压、反激和正激拓扑。采用固定频率峰值电流模式控制,具备内部软启动、自动重试、过流/短路/过压保护及零负载调节功能。内置直接光耦接口实现隔离输出,适用于电信设备和PoE应用。
芯片特点:
输入10V~100V
内置MOS
可编程
隔离

MP6003是一款单片反激式DC-DC转换器,集成150V功率开关,支持15W输出功率及SEPIC升压、反激和正激拓扑。采用固定频率峰值电流模式控制,具备内部软启动、自动重试、过流/短路/过压保护及零负载调节功能。内置直接光耦接口实现隔离输出,适用于电信设备和PoE应用。
描述DCDC升降压,电源输入30V以上,3A以上(大电流)方案,MP6003是一款集成150V功率开关的反激/SEPIC DC-DC转换器,能够提供高达15W的输出功率。它采用固定频率峰值电流模式原边控制器架构,具有内部软启动、自动重试等功能,并且集成了过流、短路和过压保护。适用于电信设备、VoIP电话、PoE供电等应用。
RoHSSMT扩展库
2500个/圆盘
总额¥0
近期成交2单