芯片简介
CBM1117C是一款低压差电压稳压器,可提供高达1A的输出电流。该系列包括八个固定电压版本以及可调版本。内部精密修整确保参考/输出电压精度在±2%以内,并具有电流限制和热保护功能。芯片由误差放大器、基准电压源、功率晶体管和保护电路构成,支持低噪声输出,适用于宽输入电压范围和高稳定性场景。
芯片特点:
输入15V
输出1A
精度±2%
输出3.3V

CBM1117C是一款低压差电压稳压器,可提供高达1A的输出电流。该系列包括八个固定电压版本以及可调版本。内部精密修整确保参考/输出电压精度在±2%以内,并具有电流限制和热保护功能。芯片由误差放大器、基准电压源、功率晶体管和保护电路构成,支持低噪声输出,适用于宽输入电压范围和高稳定性场景。
| 开源项目名称 | 开源项目介绍 |
|---|---|
| C2842719-LDO方案验证板(A版) | LDO验证板A版:3款SOT-23-3、3款SOT-89-3、2款SOT-23-5、2款SOT-23-6、2款SOT-223。 |
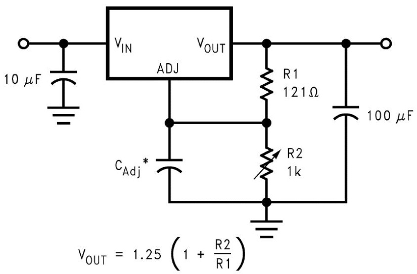
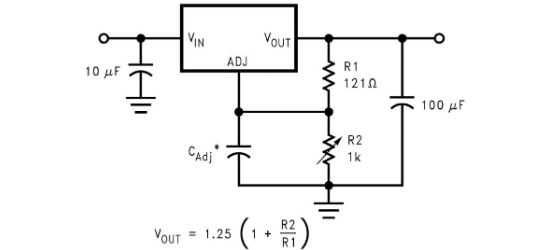
描述CBM1117C 是一系列低压差稳压器,可提供高达 1A 的输出电流。CBM1117C 有八种固定电压可选,分别为 1.2V、1.25V、1.5V、1.8V、2.5V、2.85V、3.3V 和 5.0V。此外,它还有可调版本
SMT扩展库
2500个/圆盘
总额¥0
近期成交16单