芯片简介
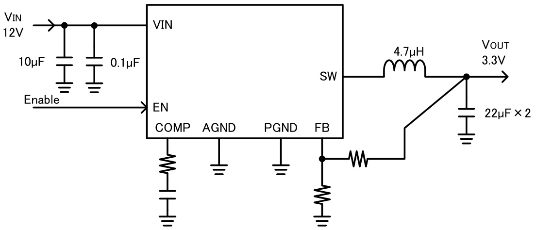
BD9C401EFJ-E2是一款同步降压型DC/DC转换器,内置低导通电阻功率MOSFET,支持4.5V至18V宽输入电压范围及最大4A输出电流。采用电流模式控制架构,具有高速瞬态响应特性,可轻松设置相位补偿。集成过流保护、热关断保护、欠压锁定保护、短路保护功能,并配备固定软启动机制以确保稳定启动。
芯片特点:
输入4.5V~18V
输出4A
内置MOS管
500kHz
使能
软启动

BD9C401EFJ-E2是一款同步降压型DC/DC转换器,内置低导通电阻功率MOSFET,支持4.5V至18V宽输入电压范围及最大4A输出电流。采用电流模式控制架构,具有高速瞬态响应特性,可轻松设置相位补偿。集成过流保护、热关断保护、欠压锁定保护、短路保护功能,并配备固定软启动机制以确保稳定启动。
描述BD9C401EFJ是一款同步降压DC/DC转换器,具有4.5V至18V的宽输入电压范围,内置低导通电阻的MOSFET,最大输出电流可达4A。该芯片采用电流模式控制,具备高速瞬态响应特性。
2500个/圆盘
总额¥0
近期成交7单