芯片简介
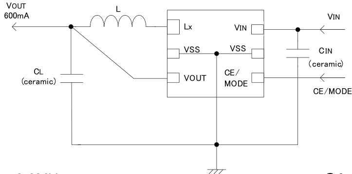
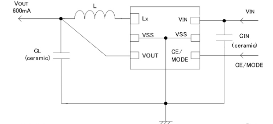
XC9235系列是同步整流型DC/DC降压转换器,内置0.42Ω P沟道驱动MOS管和0.52Ω N沟道开关MOS管,支持陶瓷电容。提供PWM控制、自动PWM/PFM切换控制及手动模式切换,具备低至1.0μA待机电流、CL放电功能、UVLO欠压锁定及高速/低速软启动选项。输出电压可通过外置电阻调节或固定,效率达92%,适用于移动设备、便携终端等场景。
芯片特点:
输入1.8V~6V
输出600mA
内置MOS管
使能
软启动

XC9235系列是同步整流型DC/DC降压转换器,内置0.42Ω P沟道驱动MOS管和0.52Ω N沟道开关MOS管,支持陶瓷电容。提供PWM控制、自动PWM/PFM切换控制及手动模式切换,具备低至1.0μA待机电流、CL放电功能、UVLO欠压锁定及高速/低速软启动选项。输出电压可通过外置电阻调节或固定,效率达92%,适用于移动设备、便携终端等场景。
描述XC9235/XC9236/XC9237 系列是一组同步整流型 DC/DC 转换器,内置一个 0.42Ω 的 P 沟道 MOS 驱动晶体管和一个 0.52Ω 的 N 沟道 MOS 开关晶体管,支持使用陶瓷电容。工作电压范围为 2.0V 至 6.0V(A~C 型)、1.8V 至 6.0V(D~G 型)。对于参考电压为 0.8V(精度:±2.0%)的 D/F 型,可通过使用两个外部电阻将输出电压设置为 0.9V 及以上
RoHSSMT扩展库
3000个/圆盘
总额¥0
近期成交2单