芯片简介
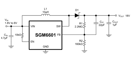
SGM6601是一款高频升压转换器,专为中小型LCD偏置电源和LED背光供电设计。支持从双节镍氢/镍镉电池或单节锂离子电池生成最高38V输出电压,适用于3.3V/5V至12V标准电源转换。采用高达1MHz的开关频率,允许使用陶瓷/钽电容和小型电感实现紧凑解决方案。集成400mA开关电流限制、20μA典型空载静态电流和两阶段软启动机制,优化了全负载范围的效率表现。
芯片特点:
输入1.8V~6V
输出可调至38V
内置MOS
1MHz
使能
软启动

SGM6601是一款高频升压转换器,专为中小型LCD偏置电源和LED背光供电设计。支持从双节镍氢/镍镉电池或单节锂离子电池生成最高38V输出电压,适用于3.3V/5V至12V标准电源转换。采用高达1MHz的开关频率,允许使用陶瓷/钽电容和小型电感实现紧凑解决方案。集成400mA开关电流限制、20μA典型空载静态电流和两阶段软启动机制,优化了全负载范围的效率表现。
描述SGM6601是一款高频率升压转换器,适用于小型到中型LCD偏置电源和白色LED背光电源。该设备可以从双节NiMH/NiCd电池或单节Li-lon电池生成高达38V的输出电压。它也可以用于标准3.3V/5V到12V的电源转换。SGM6601具有内部400mA开关电流限制,提供较低的输出电压纹波,允许使用较小的电感器,适用于低功耗应用。低静态电流方案使设备在整个负载电流范围内高效运行。
SMT扩展库
3000个/圆盘
总额¥0
近期成交100单+