芯片简介
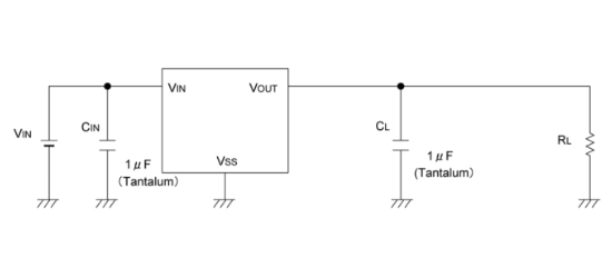
XC6203P332PR-G是一款高精度、低功耗的正电压稳压器,采用CMOS和激光微调技术,具有极低的压差电压。芯片由误差放大器、基准电压源、功率晶体管和保护电路组成,支持1.8V至6.0V输出电压范围,并内置电流限制功能。特性包括±2%的输出电压精度、8μA低静态电流和符合RoHS环保标准。
芯片特点:
输入8.0V
输出0.4A
精度±2%
功耗:8.0μA
输出3.3V

XC6203P332PR-G是一款高精度、低功耗的正电压稳压器,采用CMOS和激光微调技术,具有极低的压差电压。芯片由误差放大器、基准电压源、功率晶体管和保护电路组成,支持1.8V至6.0V输出电压范围,并内置电流限制功能。特性包括±2%的输出电压精度、8μA低静态电流和符合RoHS环保标准。
| 开源项目名称 | 开源项目介绍 |
|---|---|
| C2842719-LDO方案验证板(A版) | LDO验证板A版:3款SOT-23-3、3款SOT-89-3、2款SOT-23-5、2款SOT-23-6、2款SOT-223。 |
描述XC6203系列是采用CMOS和激光微调技术制造的高精度、低功耗三端正电压稳压器。该系列可在极低的压差下提供大电流。
1000个/圆盘
总额¥0
近期成交4单