芯片简介
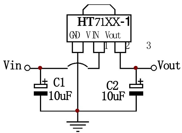
HT71XX-1系列是采用CMOS工艺制造的低功耗高压稳压器,最高输入电压18V,输出电压范围2.0V~5.0V,具有高精度、极低静态电流、低跌落电压和低温漂特性。适用于电池供电设备、通信设备、音视频设备及安防监控设备。
芯片特点:
输入18V
输出0.1A
精度±3%
功耗:200~450mW
输出3.3V

HT71XX-1系列是采用CMOS工艺制造的低功耗高压稳压器,最高输入电压18V,输出电压范围2.0V~5.0V,具有高精度、极低静态电流、低跌落电压和低温漂特性。适用于电池供电设备、通信设备、音视频设备及安防监控设备。
| 开源项目名称 | 开源项目介绍 |
|---|---|
| C2842719-LDO方案验证板(A版) | LDO验证板A版:3款SOT-23-3、3款SOT-89-3、2款SOT-23-5、2款SOT-23-6、2款SOT-223。 |
描述HT71XX系列是采用CMOS工艺制造,低功耗的高压稳压器,最高输入电压可达18V,输出电压范围为2.0V~5.0V。它具有高精度的输出电压、极低的供电电流、极低的跌落电压等特点。
SMT扩展库
1000个/圆盘
总额¥0
近期成交10单