芯片简介
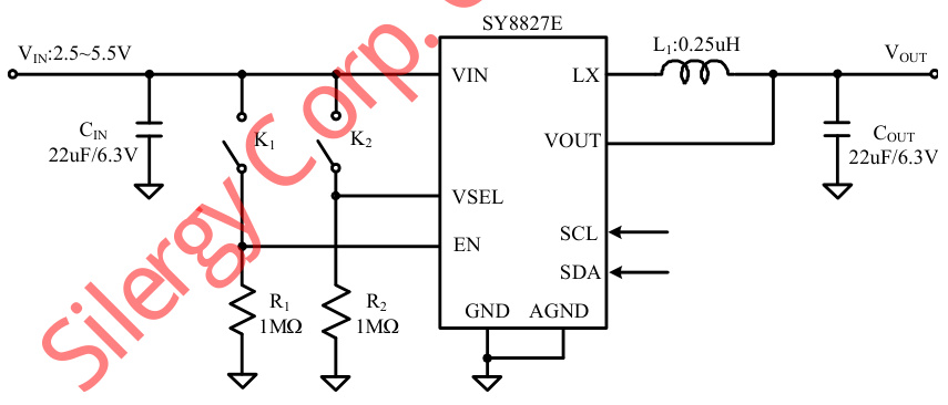
SY8827E是一款高效同步降压DC/DC稳压器,输入电压范围2.5V至5.5V,可编程输出电压0.6V至1.3875V,集成低RDS(ON)的主开关和同步开关,支持6A连续输出电流。特性包括2.4MHz开关频率、65μA典型静态电流、I2C接口调节电压、内部软启动及使能控制。内部组成包含控制电路、驱动电路和保护电路。
芯片特点:
输入2.5V~5.5V
输出6A
内置MOS
2.4MHz
使能
软启动

SY8827E是一款高效同步降压DC/DC稳压器,输入电压范围2.5V至5.5V,可编程输出电压0.6V至1.3875V,集成低RDS(ON)的主开关和同步开关,支持6A连续输出电流。特性包括2.4MHz开关频率、65μA典型静态电流、I2C接口调节电压、内部软启动及使能控制。内部组成包含控制电路、驱动电路和保护电路。
描述SY8827E 是一款高效率的 2.4MHz 同步降压 DC/DC 调节器 IC,能够提供高达 6A 的输出电流。其输入电压范围为 2.5V 至 5.5V,集成主开关和同步开关,具有非常低的 Rds(on),以减少导通损耗。输出电压可通过 I²C 接口编程,范围为 0.6V 至 1.3875V,步进为 12.5mV。该器件采用节省空间的低剖面 CSP1.56*1.96-20 封装,适用于智能手机和平板电脑等应用。
SMT扩展库
3000个/圆盘
总额¥0