芯片简介
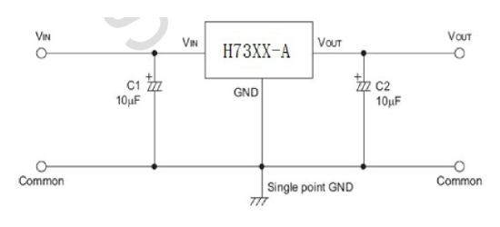
H73XX-A系列是采用CMOS技术的三端低功耗高压稳压器,支持高达18V的输入电压和250mA输出电流,静态电流典型值为2μA。该系列提供2.5V至5.0V固定输出电压,具有±2%的输出精度、低温度系数和低压降特性,适用于电池供电设备、通信设备及音视频设备。可通过外部组件调整电压和电流。
芯片特点:
输入15V
输出250mA
精度±2%
功耗:2.0μA
输出2.5V

H73XX-A系列是采用CMOS技术的三端低功耗高压稳压器,支持高达18V的输入电压和250mA输出电流,静态电流典型值为2μA。该系列提供2.5V至5.0V固定输出电压,具有±2%的输出精度、低温度系数和低压降特性,适用于电池供电设备、通信设备及音视频设备。可通过外部组件调整电压和电流。
| 开源项目名称 | 开源项目介绍 |
|---|---|
| C2842719-LDO方案验证板(A版) | LDO验证板A版:3款SOT-23-3、3款SOT-89-3、2款SOT-23-5、2款SOT-23-6、2款SOT-223。 |
描述是一组采用CMOS技术实现的三端低功耗高压稳压器,允许高达18V的输入电压,具有极低的静态电流,典型值为2μA,有几种固定输出电压可供选择,范围从2.5V到5.0V。CMOS技术确保了低电压降和低静态电流。虽然主要设计为固定电压稳压器,但这些器件可与外部组件一起使用以获得可变电压和电流。
SMT扩展库
1000个/圆盘
总额¥0
近期成交5单