芯片简介
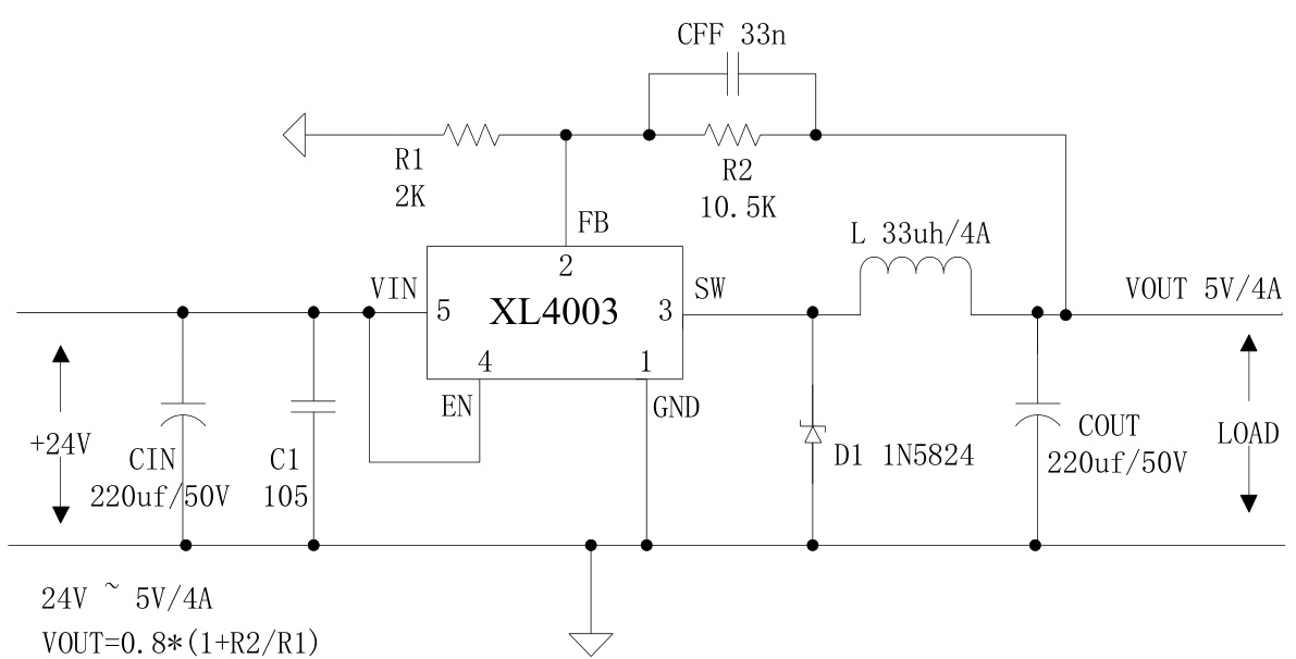
XL4003E1是一款300KHz固定频率PWM降压DC/DC转换器,输入电压范围5V~32V,可调输出0.8V~30V,最大输出电流4A。内置优化MOSFET,具有高效率和低纹波特性,集成过流保护、短路保护及热关断功能。采用EN引脚实现使能控制,内置频率补偿和固定频率振荡器,支持100%占空比。
芯片特点:
输入5V~32V
输出4A
内置MOS
300KHz
使能

XL4003E1是一款300KHz固定频率PWM降压DC/DC转换器,输入电压范围5V~32V,可调输出0.8V~30V,最大输出电流4A。内置优化MOSFET,具有高效率和低纹波特性,集成过流保护、短路保护及热关断功能。采用EN引脚实现使能控制,内置频率补偿和固定频率振荡器,支持100%占空比。
描述DCDC降压,电源输入30V以上,3A以上(大电流)方案,XL4003是一款300KHz固定频率的PWM降压DC-DC转换器,输入电压范围为5V到32V,输出电压可调范围为0.8V到30V,最大输出电流为4A,具有高效率、低纹波和优秀的线路及负载调节性能。
RoHSSMT扩展库
2500个/圆盘
总额¥0
近期成交64单