芯片简介
单片式开关稳压器集成补偿网络,支持buck/buck-boost拓扑结构。具有固定3.3V/5V/12V及1.23V-35V可调输出,配备过流/过热双重保护。典型效率达82%,提供工业级温度范围工作能力,需外接电感、续流二极管及滤波电容组成完整方案。
芯片特点:
输入4V~40V
输出3A
52kHz
使能

单片式开关稳压器集成补偿网络,支持buck/buck-boost拓扑结构。具有固定3.3V/5V/12V及1.23V-35V可调输出,配备过流/过热双重保护。典型效率达82%,提供工业级温度范围工作能力,需外接电感、续流二极管及滤波电容组成完整方案。
描述LM2576T-12-JSM 是一款高效能的降压型DC-DC转换器,适用于需要精确输出电压的应用。它支持固定和可调输出电压,最大输出电流为3A,输入电压范围为4V到40V,具有宽泛的工作温度范围和多种保护功能。
50个/管
总额¥0
近期成交10单
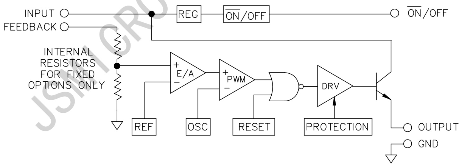
描述LM2576系列是专为降压DC/DC转换器设计的单片IC,能够驱动3A负载而无需额外的晶体管。它具有外部关断功能,可以通过逻辑电平控制进入待机模式。内部补偿使反馈控制具有良好的线路和负载调节,无需外部设计。保护功能包括过温关断和过流保护。该系列工作在52KHz的开关频率,允许使用比低频开关稳压器更小的滤波元件。其他特性包括在指定输入电压和输出负载条件下保证±4%的输出电压公差,以及±10%的振荡器频率公差。
50个/管
总额¥0
描述LM2576T-5.0-JSM 是一款高效的DC-DC降压转换器,最大输出电流为3A,输入电压范围为4V到40V,输出电压范围为1.23V到35V。具有固定输出电压选项,包括3.3V、5V和12V。内置开关频率为52kHz,典型效率为82%,工作温度范围为-40℃至+125℃。
50个/管
总额¥0
近期成交2单