芯片简介
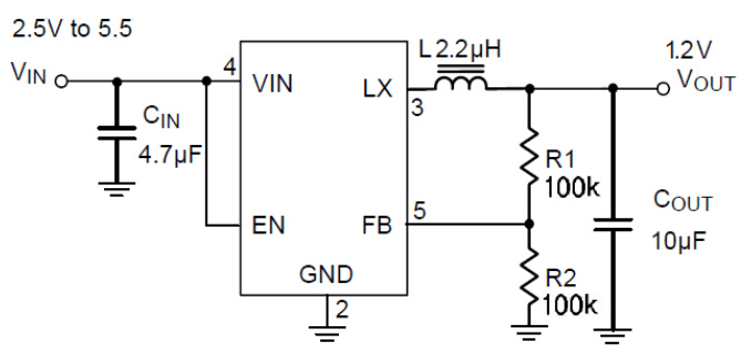
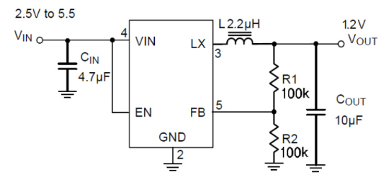
BRCD3408是一款恒定频率、电流脉冲宽度调制模式的降压转换器,集成了主控开关和同步整流器,适用于单节锂电池供电的便携式设备,输出电压最低可调节至0.6V。支持PWM和PFM两种操作模式切换,在低压状态下以100%占空比运行。具有高达96%的效率,内置短路保护、过温保护及浪涌电流限制功能,静态电流低于1μA。
芯片特点:
输入2.5V~6.0V
输出1.2A
内置MOS
1.5MHz
使能
软启动

BRCD3408是一款恒定频率、电流脉冲宽度调制模式的降压转换器,集成了主控开关和同步整流器,适用于单节锂电池供电的便携式设备,输出电压最低可调节至0.6V。支持PWM和PFM两种操作模式切换,在低压状态下以100%占空比运行。具有高达96%的效率,内置短路保护、过温保护及浪涌电流限制功能,静态电流低于1μA。
| 开源项目名称 | 开源项目介绍 |
|---|---|
| DC-DC降压芯片方案验证板-A版 | 该方案验证版,主要用于测试市面上常见的SOT-23封装的降压型DC/DC芯片,板子上目前集成了三种引脚排序。 |
描述BRCD3408是一款高效率的1.2A、1.5MHz单片式降压转换器,适用于单节锂电池供电的便携式设备。输出电压最低可调节至0.6V,支持PWM和PFM两种操作模式,具有短路保护、过温保护、浪涌电流限制和软启动功能。
SMT扩展库
3000个/圆盘
总额¥0
近期成交2单