芯片简介
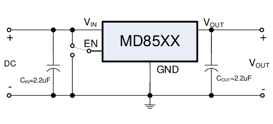
MD85A33QC3是一款高电压超低静态电流的LDO稳压器,由基准电压发生器、误差放大器、电流折返电路、相位补偿电路和驱动晶体管组成。其特性包括±2%输出电压精度、300mA输出电流、4mV@1mA的压降电压、±50ppm/℃的温度稳定性,以及内置电流限制、短路保护、折返保护和热关断功能,适用于长寿命电池供电设备。
芯片特点:
输入40V
输出300mA
精度±2%
输出3.3V
使能





MD85A33QC3是一款高电压超低静态电流的LDO稳压器,由基准电压发生器、误差放大器、电流折返电路、相位补偿电路和驱动晶体管组成。其特性包括±2%输出电压精度、300mA输出电流、4mV@1mA的压降电压、±50ppm/℃的温度稳定性,以及内置电流限制、短路保护、折返保护和热关断功能,适用于长寿命电池供电设备。
| 开源项目名称 | 开源项目介绍 |
|---|---|
| C2842719-LDO方案验证板(A版) | LDO验证板A版:3款SOT-23-3、3款SOT-89-3、2款SOT-23-5、2款SOT-23-6、2款SOT-223。 |
描述高瞬态响应稳压LDO
3000个/圆盘
总额¥0
近期成交2单