芯片简介
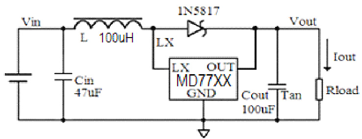
MD77XX系列为高效率、低纹波PFM控制型DC-DC升压稳压芯片,具备0.75V极低启动电压与±2.5%输出电压精度。内部集成输出电压反馈补偿网络、振荡电路及输出功率管,需外接电感、电容和肖特基二极管。特性包括4μA静态电流、88%转换效率及CE引脚使能控制,适用于便携式设备、LED供电及电池供电场景。
芯片特点:
输入0.75V~10V
输出5.0V
内置MOS
110kHz
使能
输出200mA

MD77XX系列为高效率、低纹波PFM控制型DC-DC升压稳压芯片,具备0.75V极低启动电压与±2.5%输出电压精度。内部集成输出电压反馈补偿网络、振荡电路及输出功率管,需外接电感、电容和肖特基二极管。特性包括4μA静态电流、88%转换效率及CE引脚使能控制,适用于便携式设备、LED供电及电池供电场景。