芯片简介
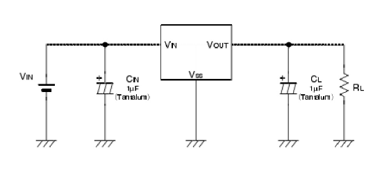
H7651系列是正电压输出的三引脚稳压器,支持高电流输出和低输入/输出电压差,采用CMOS和激光修整技术实现低功耗和高精度。芯片由高精度电压基准、误差放大电路和限流输出驱动器组成,具有热关断保护功能。
芯片特点:
输入8.5V
输出1A
精度±2%
输出3.3V

H7651系列是正电压输出的三引脚稳压器,支持高电流输出和低输入/输出电压差,采用CMOS和激光修整技术实现低功耗和高精度。芯片由高精度电压基准、误差放大电路和限流输出驱动器组成,具有热关断保护功能。
| 开源项目名称 | 开源项目介绍 |
|---|---|
| C2842719-LDO方案验证板(A版) | LDO验证板A版:3款SOT-23-3、3款SOT-89-3、2款SOT-23-5、2款SOT-23-6、2款SOT-223。 |
描述H7651系列是一组正电压输出的三端稳压器,即使在输入/输出电压差较小时也能提供大电流。通过CMOS和激光微调技术实现了低功耗和高精度。H7651由高精度电压基准、误差放大电路和限流输出驱动器组成
SMT扩展库
1000个/圆盘
总额¥0
近期成交26单