芯片简介
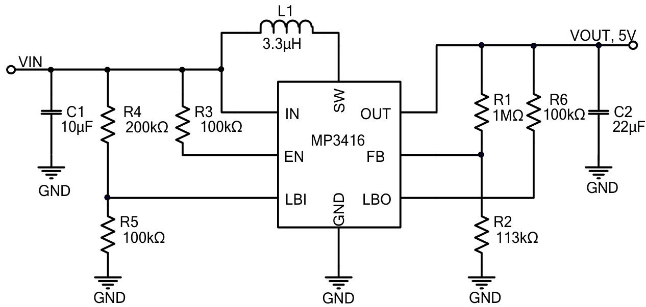
MP3416GJ-Z是一款低静态电流升压转换器,采用峰值电流控制和可变频率架构,支持输入电压低至0.86V,输出电压可调范围为1.8V至5.5V。集成P通道同步整流器以提升效率并无需外部肖特基二极管,具备轻载脉冲跳跃模式及关断状态下输出断开功能。内部组成包括误差放大器、同步MOSFET、过温保护电路及低电池检测模块,特性涵盖高效轻载运行、低至9.5μA静态电流和650nA关断电流。
芯片特点:
输入0.86V~5.5V
输出1.8V~5.5V
内置MOS
使能
软启动

MP3416GJ-Z是一款低静态电流升压转换器,采用峰值电流控制和可变频率架构,支持输入电压低至0.86V,输出电压可调范围为1.8V至5.5V。集成P通道同步整流器以提升效率并无需外部肖特基二极管,具备轻载脉冲跳跃模式及关断状态下输出断开功能。内部组成包括误差放大器、同步MOSFET、过温保护电路及低电池检测模块,特性涵盖高效轻载运行、低至9.5μA静态电流和650nA关断电流。
描述DCDC升压,电源输入3V~7V,输出5V~12V方案,
RoHSSMT扩展库
3000个/圆盘
总额¥0
近期成交6单
描述MP3416是一款低静态电流升压转换器,采用峰值电流控制和可变频率架构来调节输出电压。MP3416可在低至0.86V的输入电压下工作,提供1.8V至5.5V的输出电压。MP3416工作在峰值电流控制模式,具有良好的瞬态响应
RoHSSMT扩展库
5000个/圆盘
总额¥0
近期成交2单