芯片简介
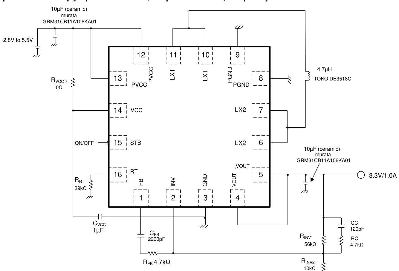
BD8306MUV-E2是一款高效单电感buck-boost DC/DC转换器,支持1.8V至5.5V输入和1.8V至5.2V输出。内置120mΩ Pch FET和100mΩ Nch FET,采用误差放大器、振荡器、PWM比较器及MOSFET驱动电路框架。集成软启动功能和定时锁存短路保护,适用于便携设备电源管理。
芯片特点:
输入1.8V~5.5V
输出0.7A~1A
内置MOS管
1MHz
使能
软启动

BD8306MUV-E2是一款高效单电感buck-boost DC/DC转换器,支持1.8V至5.5V输入和1.8V至5.2V输出。内置120mΩ Pch FET和100mΩ Nch FET,采用误差放大器、振荡器、PWM比较器及MOSFET驱动电路框架。集成软启动功能和定时锁存短路保护,适用于便携设备电源管理。
描述BD8306MUV是一款高效的升降压DC-DC转换器,输入电压范围为1.8V至5.5V,输出电压范围为1.8V至5.2V,最大输出电流为1.0A(3.3V输出,2.8V至5.5V输入)和0.7A(5.0V输出,2.8V至5.5V输入)。该芯片内置2.0A MOSFET,具有软启动功能和短路保护功能。
RoHSSMT扩展库
3000个/圆盘
总额¥0
近期成交1单