芯片简介
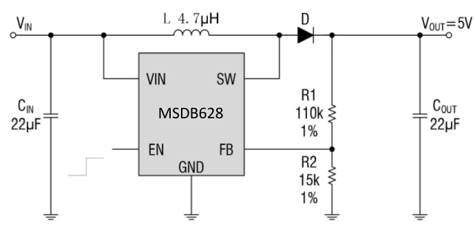
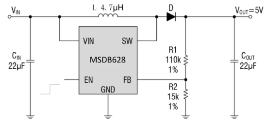
MSDB628是一款恒定频率、电流模式升压转换器,支持2.5V至24V输入电压及可调输出电压(最高28V)。集成80mΩ功率MOSFET,1.2MHz固定开关频率,具有内部软启动、轻载自动切换至PFM模式功能。内置欠压锁定、电流限制及热过载保护,适用于电池供电设备及低功耗应用。
芯片特点:
输入2.5V~24V
输出可调至28V
内置MOS
1.2MHz
使能
软启动

MSDB628是一款恒定频率、电流模式升压转换器,支持2.5V至24V输入电压及可调输出电压(最高28V)。集成80mΩ功率MOSFET,1.2MHz固定开关频率,具有内部软启动、轻载自动切换至PFM模式功能。内置欠压锁定、电流限制及热过载保护,适用于电池供电设备及低功耗应用。
描述MSDB628 是一款常频、6引脚SOT23封装的电流模式升压转换器,适用于小型低功耗应用。该器件以1.2MHz的频率切换,允许使用高度不超过2mm的小型低成本电容器和电感器。内部软启动功能减少了浪涌电流并延长了电池寿命。MSDB628 在轻负载时自动切换到脉冲频率调制模式。该器件包括欠压锁定、电流限制和热过载保护,防止输出过载时损坏。MSDB628 提供6引脚SOT-23封装。
SMT扩展库
3000个/圆盘
总额¥0
近期成交100单+