芯片简介
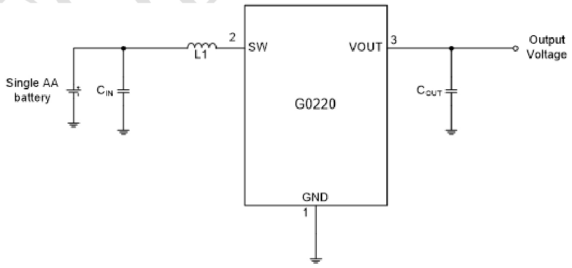
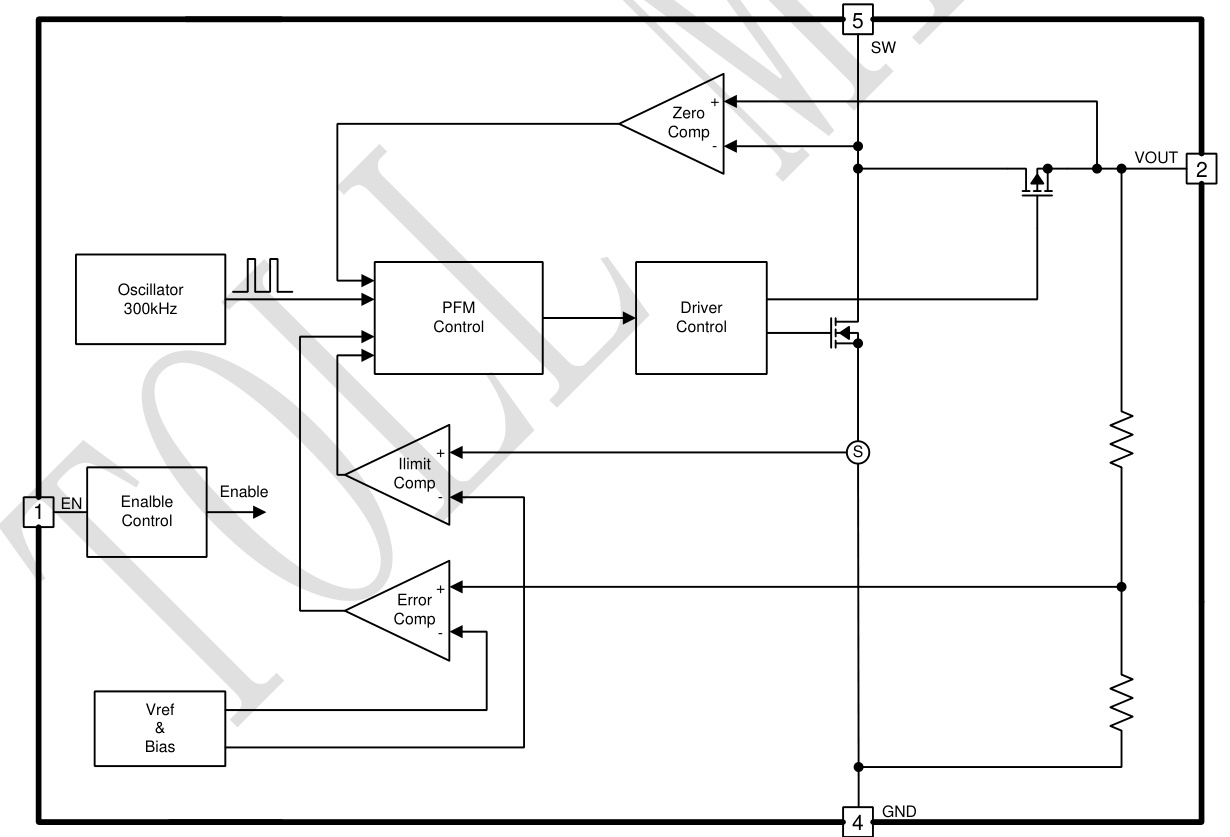
TMI5120是一款紧凑高效的同步升压DC-DC转换器,采用PFM模式控制器拓扑和同步整流技术,实现高达92%的转换效率。其特性包括低启动电压(0.85V)、可调输出电压范围(2.2V-5.0V)、20μA无负载静态电流及<1μA关机电流。内部集成同步整流器、功率MOSFET开关和反馈网络,支持通过EN引脚进行使能控制,适用于碱性电池、镍氢电池及锂离子电池供电场景。
芯片特点:
输入0.5V~5.5V
输出2.2V~5.0V
内置MOS
300kHz
使能


TMI5120是一款紧凑高效的同步升压DC-DC转换器,采用PFM模式控制器拓扑和同步整流技术,实现高达92%的转换效率。其特性包括低启动电压(0.85V)、可调输出电压范围(2.2V-5.0V)、20μA无负载静态电流及<1μA关机电流。内部集成同步整流器、功率MOSFET开关和反馈网络,支持通过EN引脚进行使能控制,适用于碱性电池、镍氢电池及锂离子电池供电场景。