芯片简介
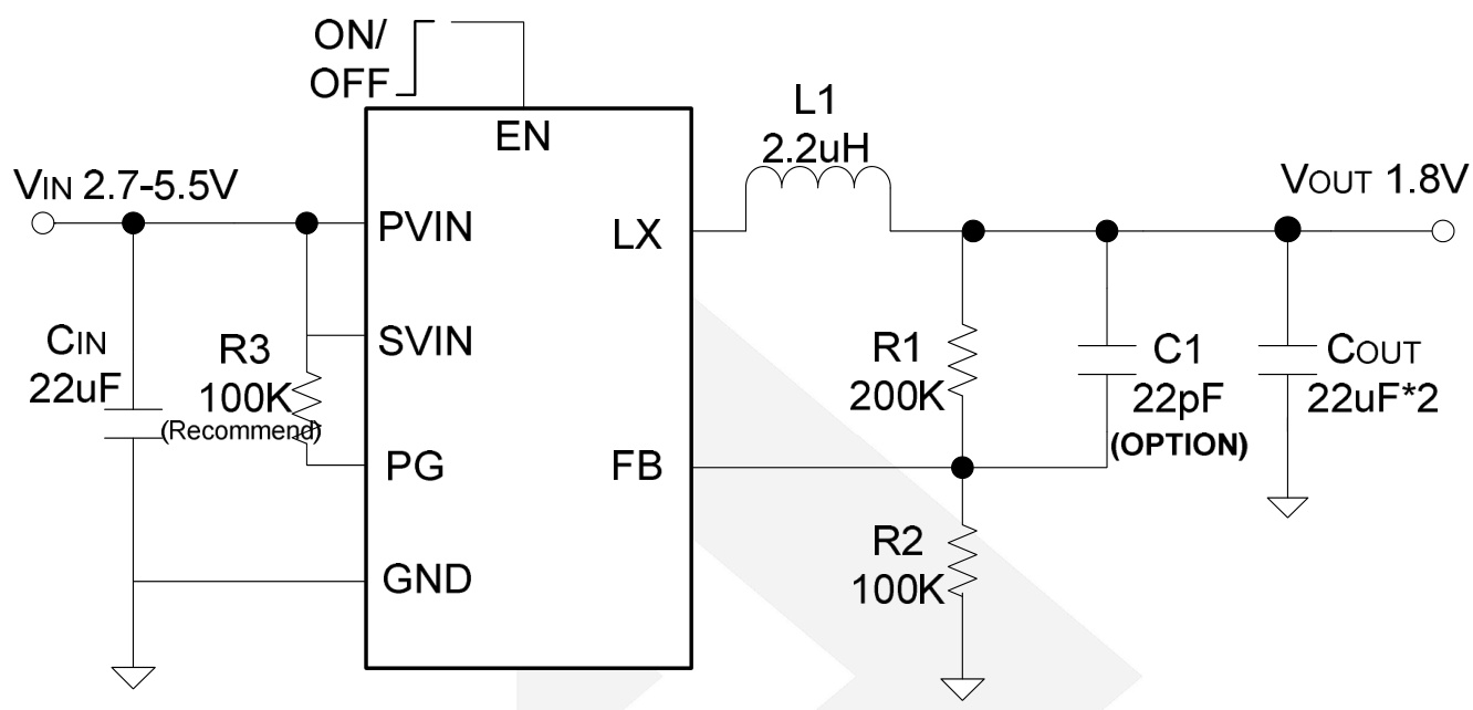
DIO6063CD10是一款高效率1MHz同步降压DC-DC稳压芯片,可提供高达3.5A输出电流。该芯片集成主开关和同步开关,具有极低导通电阻(顶部90mΩ/底部70mΩ),采用1MHz开关频率有效减小外部元件尺寸。内置软启动功能限制浪涌电流,支持100%占空比操作,具备短路保护(打嗝模式)和输出电压保护机制。内部结构包含PWM控制器、功率开关及保护电路,采用DFN3*3-10紧凑封装。
芯片特点:
输入2.7V~5.5V
输出3.5A
内置MOS
1MHz
使能
软启动

DIO6063CD10是一款高效率1MHz同步降压DC-DC稳压芯片,可提供高达3.5A输出电流。该芯片集成主开关和同步开关,具有极低导通电阻(顶部90mΩ/底部70mΩ),采用1MHz开关频率有效减小外部元件尺寸。内置软启动功能限制浪涌电流,支持100%占空比操作,具备短路保护(打嗝模式)和输出电压保护机制。内部结构包含PWM控制器、功率开关及保护电路,采用DFN3*3-10紧凑封装。
描述DIO6063是一款高效1MHz、3.5A输出的同步降压DC-DC调节器IC,输入电压范围为2.7V至5.5V,能够提供高达3.5A的输出电流。内部开关的导通电阻低,具有可靠的短路保护和软启动功能。
RoHSSMT扩展库
5000个/圆盘
总额¥0
近期成交2单