我的订单购物车(0)联系客服帮助中心供应商合作嘉立创产业服务群
领券中心备货找料立推专区爆款推荐TI订货PLUS会员BOM配单PCB/SMT工业品面板定制

MDD(辰达半导体)+79L05

(LDO-(4)电源输入30V以上-(1)输出0.1A以内方案)
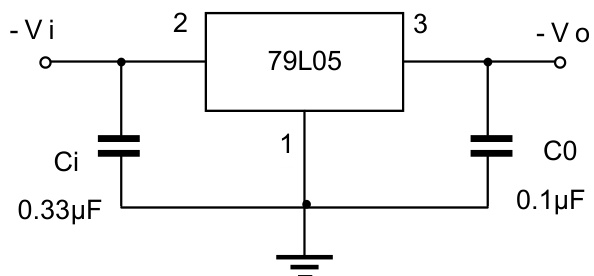
MDD(辰达半导体)的79L05系统框图
点击预览

芯片简介

79L05是一款三端负压稳压器,最大输出电流0.1A,输出电压-5V,总耗散功率0.6W。其电气特性包括负载调整率、线性调整率、低静态电流及输出噪声电压,适用于基础稳压场景。

芯片特点:

输入-35V
输出0.1A
输出-5V
功耗:0.6W

项目参考文件

类型名称操作

方案关联商品

  • 型号/品牌/封装/类目

  • 参数/描述

  • 优惠券/标签

  • 价格梯度(含税)

  • 库存交期

  • 操作

LDO方案验证板(D版)
LCYZB-135-V1
品牌
LC(立创)
封装
-
类目
电源类验证板
编号
C2845105

描述PCB空板

  • 收藏
  • 对比
  • 4.03
现货最快4小时发货
广东仓
112
江苏仓
5

总额0

近期成交1单