芯片简介
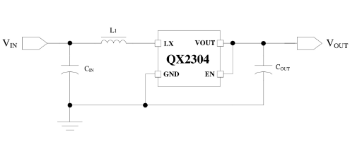
QX2304是一款采用PFM控制模式的高效率同步升压DC/DC变换器,具有低功耗、低纹波特性,工作频率高达300KHz。仅需三个外围元件即可实现0.9V-3.6V输入至2.5V-3.6V可调输出,内置同步开关管使效率最高达95%。通过内部修调电路实现±2.5%的输出精度,特有PFM模式有效降低轻载纹波,15μA超低静态电流特别适用于手持电子设备。
芯片特点:
输入0.9V~3.6V
输出2.5V~3.6V
内置MOS
300KHz
使能


QX2304是一款采用PFM控制模式的高效率同步升压DC/DC变换器,具有低功耗、低纹波特性,工作频率高达300KHz。仅需三个外围元件即可实现0.9V-3.6V输入至2.5V-3.6V可调输出,内置同步开关管使效率最高达95%。通过内部修调电路实现±2.5%的输出精度,特有PFM模式有效降低轻载纹波,15μA超低静态电流特别适用于手持电子设备。
描述Vout=2.8V
SMT扩展库
1000个/袋
总额¥0