芯片简介
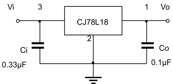
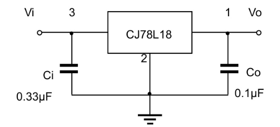
CJ78L18三端正电压稳压器,最大输出电流0.1A,输出电压15V,连续总耗散功率0.6W。具有89μV/Vo输出噪声电压和36dB纹波抑制性能。
芯片特点:
输入35V
输出0.1A
输出15V
功耗:0.6W

CJ78L18三端正电压稳压器,最大输出电流0.1A,输出电压15V,连续总耗散功率0.6W。具有89μV/Vo输出噪声电压和36dB纹波抑制性能。
| 开源项目名称 | 开源项目介绍 |
|---|---|
| C2842719-LDO方案验证板(A版) | LDO验证板A版:3款SOT-23-3、3款SOT-89-3、2款SOT-23-5、2款SOT-23-6、2款SOT-223。 |
描述特性:最大输出电流 IOM: 0.1A。输出电压 V0: 15V。连续总耗散 PD: 0.6W (Ta = 25℃)
RoHSSMT扩展库
1000个/圆盘
总额¥0
近期成交19单